
您还没有选择分类数据,请先选择数据
-
JL7093A Datasheet V1.0
2024-11-30
-
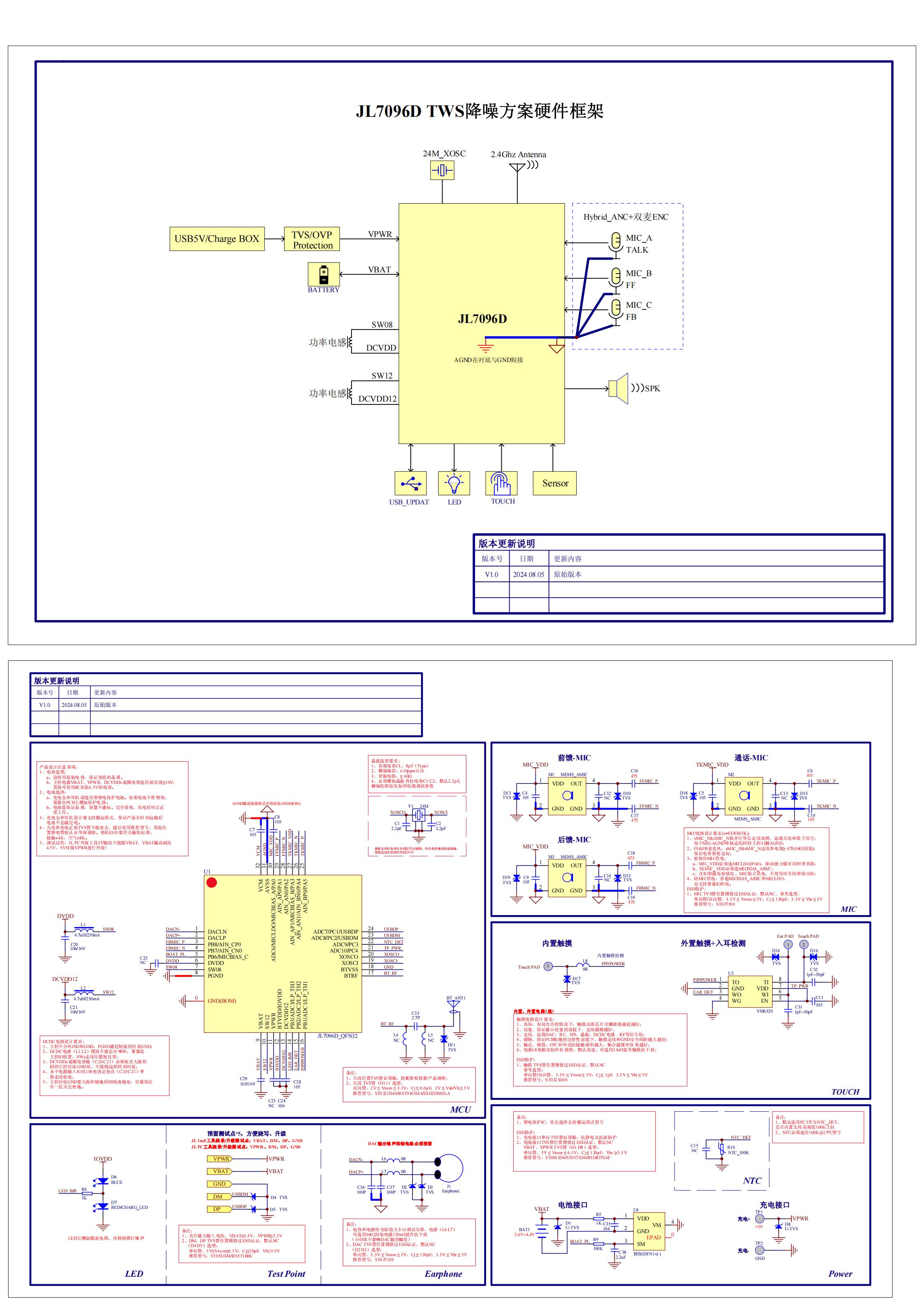
JL7096D HybridANC+双麦ENC TWS降噪方案标准原理图V1.0
2024-11-30
-
JL7094F 单馈ANC+ENC 头戴降噪方案标准原理图V1.0
2024-11-30
-
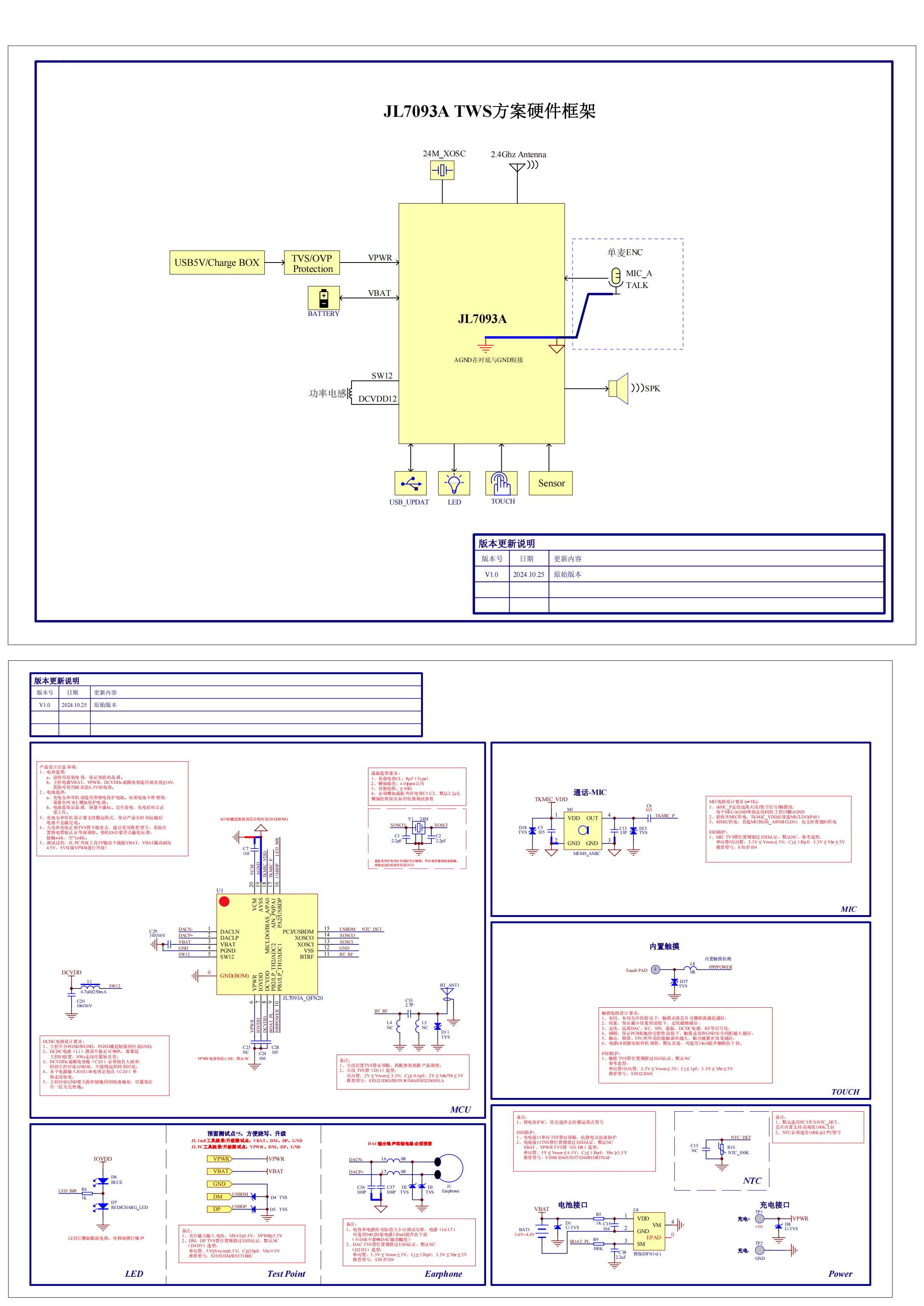
JL7093A 单麦ENC TWS方案标准原理图V1.0
2024-11-30
-
JL7034C Soundbar标准原理图V1.0
2024-11-30
-
JL7031C Datasheet V1.5
2024-11-30
-
JL7018F Hybrid+单麦ENC头戴降噪标准原理图 V1.4
2024-11-30
-
JL7018F FB+双麦ENC头戴降噪标准原理图 V1.4
2024-11-30